产品概述/ zhongke
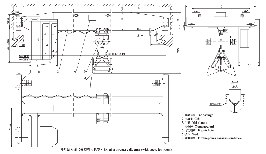
一、产品简图



中科重工成功案例
注起重设备定制就解决方案提供商
起重设备定制解决方案提供商
注起重设备定制就解决方案提供商
全天候服务
现场安装指导
免费技术培训
终身维修服务
中科重工实力看得见
注起重设备定制就解决方案提供商
公司创建于2017年,注册资金1.16亿元,各厂区总计占地面积近50000㎡,现有员工200余人

公司配备现代化生产车间,年生产能力可达上万台
众多实力客户的选择
注起重设备定制就解决方案提供商
推荐产品/ recommend
相关新闻/ Related news
返回顶部
在线客服
扫一扫 关注我们
扫一扫 关注我们