产品概述/ zhongke
一、产品概述
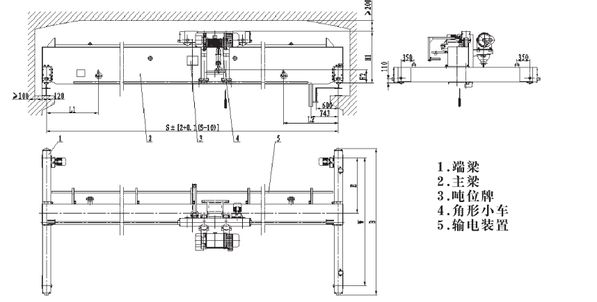
1、 LDP型电动单梁起重机属于超低净空轻小型起重机,电动葫芦位于主梁一侧,增加了吊钩的服务空间,可以降低厂房高度与造价。
2、 该产品因具有小车轮距大、运行平稳、结构紧凑、刚性好、操作灵敏、噪音低、安全可靠、造型美观等优点,广泛用于工作环境温度在-25-40℃,车间厂房净空高度又较低的场所。
3、 该产品与CD、MD型电动葫芦配套使用,其额定载荷3t-10t,跨度7.5m-22.5m,工作级别为A3、A4,起升高度6-12m,操作方式主要是地面操纵方式(地操、遥控操作、地+遥操作)。
4、 公司可根据用户需求进行非标设计。
二、产品简图





中科重工成功案例
注起重设备定制就解决方案提供商
起重设备定制解决方案提供商
注起重设备定制就解决方案提供商
全天候服务
现场安装指导
免费技术培训
终身维修服务
中科重工实力看得见
注起重设备定制就解决方案提供商
公司创建于2017年,注册资金1.16亿元,各厂区总计占地面积近50000㎡,现有员工200余人

公司配备现代化生产车间,年生产能力可达上万台
众多实力客户的选择
注起重设备定制就解决方案提供商
推荐产品/ recommend
相关新闻/ Related news
返回顶部
在线客服
扫一扫 关注我们
扫一扫 关注我们