产品概述/ zhongke
一、产品概述
1、 LD型电动单梁起重机具有结果合理,整机钢性强的特点。
2、 整机与CD型、MD型电动葫芦配套使用,是一种轻小型的起重机械。
3、 其起重量为1t-20t,跨度为7.5-28.5m,工作级别为A3-A4,工作环境温度为-25-40℃。
4、 本产品广泛用于工厂、仓库、料场等不同场合吊运货物,禁止在易燃、易爆、腐蚀性介质环境中使用。
5、 本产品设有地面和操纵室两种操作形式,操纵室有开式、闭式两种,可根据实际情况分为左装与右装两种形式。
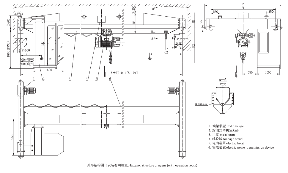
二、产品简图






中科重工成功案例
注起重设备定制就解决方案提供商
起重设备定制解决方案提供商
注起重设备定制就解决方案提供商
全天候服务
现场安装指导
免费技术培训
终身维修服务
中科重工实力看得见
注起重设备定制就解决方案提供商
公司创建于2017年,注册资金1.16亿元,各厂区总计占地面积近50000㎡,现有员工200余人

公司配备现代化生产车间,年生产能力可达上万台
众多实力客户的选择
注起重设备定制就解决方案提供商
推荐产品/ recommend
相关新闻/ Related news
返回顶部
在线客服
扫一扫 关注我们
扫一扫 关注我们